四、JPI 150、300、600RF、RJ法兰尺寸表

Table20 JPI 150RF mm
公称通径 | 外径 | 螺栓孔中心圆直径 | 连接凸出部分直径 | 内径 | 法兰厚度 | 连接凸出部分高度 | 螺栓孔数量与直径 | 螺栓直径 |
DN | D | D1 | D2 | D3 | t | f | n-d | M |
20 | 98 | 70.0 | 43 | 19 | 12.7 | 1.6 | 4-15 | 12 |
25 | 108 | 79.5 | 51 | 25 | 14.3 | 1.6 | 4-15 | 12 |
40 | 127 | 98.5 | 73 | 38 | 17.5 | 1.6 | 4-15 | 12 |
50 | 152 | 120.5 | 92 | 51 | 19.1 | 1.6 | 4-19 | 16 |
65 | 178 | 139.5 | 105 | 64 | 22.3 | 1.6 | 4-19 | 16 |
80 | 190 | 152.5 | 127 | 76 | 23.9 | 1.6 | 4-19 | 16 |
100 | 229 | 190.5 | 157 | 102 | 23.9 | 1.6 | 8-19 | 16 |
125 | 254 | 216.0 | 186 | 125 | 23.9 | 1.6 | 8-22 | 20 |
150 | 279 | 241.5 | 216 | 152 | 25.4 | 1.6 | 8-22 | 20 |
200 | 343 | 298.5 | 270 | 204 | 28.6 | 1.6 | 8-22 | 20 |
250 | 406 | 362.0 | 324 | 254 | 30.2 | 1.6 | 12-25 | 22 |
300 | 483 | 432.0 | 381 | 305 | 31.8 | 1.6 | 12-25 | 22 |
Table21 JPI 300RF mm
公称通径 | 外径 | 螺栓孔中心圆直径 | 连接凸出部分直径 | 内径 | 法兰厚度 | 连接凸出部分高度 | 螺栓孔数量与直径 | 螺栓直径 |
DN | D | D1 | D2 | D3 | t | f | n-d | M |
20 | 117 | 82.5 | 43 | 19 | 15.9 | 1.6 | 4-19 | 16 |
25 | 124 | 89.0 | 51 | 25 | 17.5 | 1.6 | 4-19 | 16 |
40 | 156 | 114.5 | 73 | 38 | 20.7 | 1.6 | 4-22 | 20 |
50 | 165 | 127.0 | 92 | 51 | 22.3 | 1.6 | 8-19 | 16 |
65 | 190 | 149.0 | 105 | 64 | 25.4 | 1.6 | 8-22 | 20 |
80 | 210 | 168.0 | 127 | 76 | 28.6 | 1.6 | 8-22 | 20 |
100 | 254 | 200.0 | 157 | 102 | 31.8 | 1.6 | 8-22 | 20 |
125 | 279 | 235.0 | 186 | 125 | 35.0 | 1.6 | 8-22 | 20 |
150 | 318 | 270.0 | 216 | 152 | 36.6 | 1.6 | 12-22 | 20 |
200 | 381 | 330.0 | 270 | 204 | 41.3 | 1.6 | 12-25 | 22 |
250 | 444 | 387.5 | 324 | 254 | 47.7 | 1.6 | 16-29 | 27 |
300 | 521 | 451.0 | 381 | 305 | 50.8 | 1.6 | 16-32 | 30 |
Table22 JPI 600RF mm
公称通径 | 外径 | 螺栓孔中心圆直径 | 连接凸出部分直径 | 内径 | 法兰厚度 | 连接凸出部分高度 | 螺栓孔数量与直径 | 螺栓直径 |
DN | D | D1 | D2 | D3 | t | f | n-d | M |
20 | 117 | 82.5 | 43 | 19 | 22.3 | 6.4 | 4-19 | 16 |
25 | 124 | 89.0 | 51 | 25 | 23.9 | 6.4 | 4-19 | 16 |
40 | 156 | 114.5 | 73 | 38 | 28.7 | 6.4 | 4-22 | 20 |
50 | 165 | 127 | 92 | 51 | 31.8 | 6.4 | 8-19 | 16 |
65 | 190 | 149 | 105 | 64 | 35 | 6.4 | 8-22 | 20 |
80 | 210 | 168 | 127 | 76 | 38.2 | 6.4 | 8-22 | 20 |
100 | 273 | 216 | 157 | 102 | 44.5 | 6.4 | 8-25 | 22 |
125 | 330 | 266.5 | 186 | 125 | 50.9 | 6.4 | 8-29 | 27 |
150 | 356 | 292.0 | 216 | 152 | 54.1 | 6.4 | 12-29 | 27 |
200 | 419 | 349 | 270 | 200 | 62 | 6.4 | 12-32 | 30 |
250 | 508 | 432 | 324 | 247.5 | 69.9 | 6.4 | 16-35 | 33 |
300 | 559 | 489 | 381 | 298.5 | 73.1 | 6.4 | 20-35 | 33 |
Table23 JPI 150RJ mm
公称通径 | 外径 | 螺栓孔中心圆直径 | 连接凸出部分直径 | 内径 | 梯形槽中心圆直径 | 梯形槽深度 | 梯形槽宽度 | 法兰厚度 | 连接凸出部分高度 | 螺栓孔数量与直径 | 螺栓直径 |
DN | D | D1 | D2 | D3 | L | E | F | t | f | n-d | M |
25 | 108 | 79.5 | 63.5 | 25 | 47.625 | 8.731 | 6.4 | 20.7 | 6.4 | 4-15 | 12 |
40 | 127 | 98.5 | 82.6 | 38 | 65.088 | 8.831 | 6.4 | 23.9 | 6.4 | 4-15 | 12 |
50 | 152 | 120.5 | 101.6 | 51 | 82.550 | 8.731 | 6.4 | 25.5 | 6.4 | 4-19 | 16 |
65 | 178 | 139.5 | 120.6 | 64 | 101.600 | 8.731 | 6.4 | 28.7 | 6.4 | 4-19 | 16 |
80 | 190 | 152.5 | 133.1 | 76 | 114.300 | 8.731 | 6.4 | 30.3 | 6.4 | 4-19 | 16 |
100 | 229 | 190.5 | 171.1 | 102 | 149.225 | 8.731 | 6.4 | 30.3 | 6.4 | 8-19 | 16 |
125 | 254 | 216.0 | 193.7 | 125 | 171.150 | 8.731 | 6.4 | 30.3 | 6.4 | 8-22 | 20 |
150 | 279 | 241.5 | 219.1 | 152 | 193.675 | 8.731 | 6.4 | 31.8 | 6.4 | 8-22 | 20 |
200 | 343 | 298.5 | 273.0 | 204 | 247.650 | 8.731 | 6.4 | 35 | 6.4 | 8-22 | 20 |
250 | 406 | 362.0 | 330.2 | 254 | 304.200 | 8.731 | 6.4 | 36.6 | 6.4 | 12-25 | 22 |
300 | 483 | 432.0 | 406.1 | 305 | 381.000 | 8.731 | 6.4 | 38.2 | 6.4 | 12-25 | 22 |
Table24 JPI 300RJ mm
公称通径 | 外径 | 螺栓孔中心圆直径 | 连接凸出部分直径 | 内径 | 梯形槽中心圆直径 | 梯形槽深度 | 梯形槽宽度 | 法兰厚度 | 连接凸出部分高度 | 螺栓孔数量与直径 | 螺栓直径 |
DN | D | D1 | D2 | D3 | L | E | F | t | f | n-d | M |
20 | 117 | 82.5 | 63.5 | 19 | 42.862 | 8.731 | 6.4 | 22.3 | 6.4 | 4-19 | 16 |
25 | 124 | 89.0 | 69.8 | 25 | 50.800 | 8.731 | 6.4 | 23.9 | 6.4 | 4-19 | 16 |
40 | 156 | 114.5 | 90.5 | 38 | 68.262 | 11.906 | 6.4 | 27.1 | 6.4 | 4-22 | 20 |
50 | 165 | 127.0 | 108.0 | 51 | 82.550 | 11.906 | 8.0 | 28.7 | 8.0 | 8-19 | 16 |
65 | 190 | 149.0 | 127.0 | 64 | 101.600 | 11.906 | 8.0 | 31.8 | 8.0 | 8-22 | 20 |
80 | 210 | 168.0 | 146.0 | 76 | 123.825 | 11.906 | 8.0 | 35 | 8.0 | 8-22 | 20 |
100 | 254 | 200.0 | 174.6 | 102 | 149.225 | 11.906 | 8.0 | 38.2 | 8.0 | 8-22 | 20 |
125 | 279 | 235.0 | 209.6 | 125 | 180.975 | 11.906 | 8.0 | 41.4 | 8.0 | 8-22 | 20 |
150 | 318 | 270.0 | 241.3 | 152 | 211.138 | 11.906 | 8.0 | 43 | 8.0 | 12-22 | 20 |
200 | 381 | 330.0 | 301.6 | 204 | 269.875 | 11.906 | 8.0 | 47.7 | 8.0 | 12-25 | 22 |
250 | 444 | 387.0 | 355.6 | 254 | 323.850 | 11.906 | 8.0 | 54.1 | 8.0 | 16-29 | 27 |
300 | 521 | 451.0 | 412.8 | 305 | 381.000 | 11.906 | 8.0 | 57.2 | 8.0 | 16-32 | 30 |
Table25 JPI 600RJ mm
公称通径 | 外径 | 螺栓孔中心圆直径 | 连接凸出部分直径 | 内径 | 梯形槽中心圆直径 | 梯形槽深度 | 梯形槽宽度 | 法兰厚度 | 连接凸出部分高度 | 螺栓孔数量与直径 | 螺栓直径 |
DN | D | D1 | D2 | D3 | L | E | F | t | f | n-d | M |
20 | 117 | 82.5 | 63.5 | 19 | 42.862 | 8.731 | 6.4 | 22.3 | 6.4 | 4-19 | 16 |
25 | 124 | 89.0 | 69.8 | 25 | 50.880 | 8.731 | 6.4 | 23.9 | 6.4 | 4-19 | 16 |
40 | 156 | 114.5 | 90.5 | 38 | 68.262 | 8.731 | 6.4 | 28.7 | 6.4 | 4-22 | 20 |
50 | 165 | 127.0 | 108.0 | 51 | 82.550 | 11.906 | 8.0 | 31.8 | 8.0 | 8-19 | 16 |
65 | 190 | 149.0 | 127.0 | 64 | 101.600 | 11.906 | 8.0 | 35.0 | 8.0 | 8-22 | 20 |
80 | 210 | 168.0 | 146.0 | 76 | 123.825 | 11.906 | 8.0 | 38.2 | 8.0 | 8-22 | 20 |
100 | 270 | 216.0 | 174.6 | 102 | 149.225 | 11.906 | 8.0 | 44.5 | 8.0 | 8-25 | 22 |
125 | 330 | 266.5 | 209.6 | 125 | 180.975 | 11.906 | 8.0 | 50.9 | 8.0 | 8-29 | 27 |
150 | 356 | 292 | 241.3 | 152 | 211.138 | 11.906 | 8.0 | 54.1 | 8.0 | 12-29 | 27 |
200 | 419 | 349 | 301.6 | 200 | 269.875 | 11.906 | 8.0 | 62.0 | 8.0 | 12-32 | 30 |
250 | 508 | 432 | 355.6 | 247.5 | 323.850 | 11.906 | 8.0 | 69.9 | 8.0 | 16-35 | 33 |
300 | 559 | 489 | 412.8 | 298.5 | 381.000 | 11.906 | 8.0 | 73.1 | 8.0 | 20-35 | 33 |
五、德国DIN标准法兰尺寸
Table26 PN16(1.6MPa) mm
公称通径 | 外径 | 螺栓孔中心圆直径 | 连接凸出部分直径 | 连接凸出部分高度 | 法兰厚度 | 螺栓孔数量与直径 | 螺栓直径 |
DN | D | D1 | D2 | f | H | n-d | M |
15 | 95 | 65 | 45 | 2 | 14 | 4-14 | 12 |
20 | 105 | 75 | 58 | 2 | 16 | 4-14 | 12 |
25 | 115 | 85 | 68 | 2 | 16 | 4-14 | 12 |
32 | 140 | 100 | 78 | 2 | 18 | 4-18 | 16 |
40 | 150 | 110 | 88 | 2 | 18 | 4-18 | 16 |
50 | 165 | 125 | 102 | 3 | 20 | 4-18 | 16 |
65 | 185 | 145 | 122 | 3 | 20 | 4-18 | 16 |
80 | 200 | 160 | 138 | 3 | 22 | 8-18 | 16 |
100 | 220 | 180 | 158 | 3 | 24 | 8-18 | 16 |
125 | 250 | 210 | 188 | 3 | 26 | 8-18 | 16 |
150 | 285 | 240 | 212 | 3 | 26 | 8-22 | 20 |
200 | 340 | 295 | 268 | 3 | 30 | 8-22 | 20 |
250 | 405 | 355 | 320 | 3 | 32 | 8-26 | 24 |
Table27 PN40(4.0MPa) mm
公称通径 | 外径 | 螺栓孔中心圆直径 | 连接凸出部分直径 | 连接凸出部分高度 | 法兰厚度 | 螺栓孔数量与直径 | 螺栓直径 |
DN | D | D1 | D2 | f | H | n-d | M |
15 | 95 | 65 | 45 | 2 | 16 | 4-14 | 12 |
20 | 105 | 75 | 58 | 2 | 18 | 4-14 | 12 |
25 | 115 | 85 | 68 | 2 | 18 | 4-14 | 12 |
32 | 140 | 100 | 78 | 2 | 18 | 4-18 | 16 |
40 | 150 | 110 | 88 | 2 | 18 | 4-18 | 16 |
50 | 165 | 125 | 102 | 3 | 20 | 4-18 | 16 |
65 | 185 | 145 | 122 | 3 | 22 | 8-18 | 16 |
80 | 200 | 160 | 138 | 3 | 24 | 8-18 | 16 |
100 | 235 | 190 | 162 | 3 | 24 | 8-22 | 20 |
125 | 270 | 220 | 188 | 3 | 26 | 8-26 | 24 |
150 | 300 | 250 | 218 | 3 | 28 | 8-26 | 24 |
200 | 375 | 320 | 285 | 3 | 34 | 12-30 | 27 |
250 | 450 | 385 | 345 | 3 | 38 | 12-33 | 30 |
六、中国B标准法兰尺寸
1、凸面整体钢管法兰(JB/T79.1-94) PN1.6、PN2.5、PN4.0MPa

Table28 PN1.6MPa mm
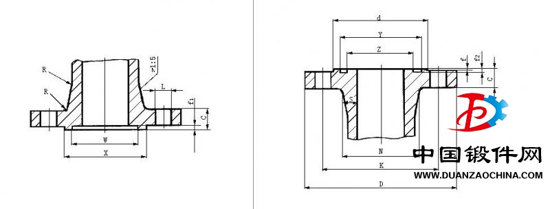
公称通径 | 连 接 尺 寸 | 密封面尺寸 | 法兰厚度 | 法 兰 颈 | |||||||
法兰外径 | 螺栓孔中心圆直径 | 螺栓孔直径 | 螺栓、螺柱 | d | f | Nmax | Smax | R | |||
数量n | 螺纹Th | ||||||||||
15 | 95 | 65 | 14 | 4 | M12 | 45 | 2 | 14 | 39 | 12 | 4 |
20 | 105 | 75 | 14 | 4 | M12 | 55 | 2 | 14 | 44 | 12 | 4 |
25 | 115 | 85 | 14 | 4 | M12 | 65 | 2 | 14 | 49 | 12 | 4 |
32 | 140/135 | 100 | 18 | 4 | M16 | 78 | 2 | 16 | 56 | 12 | 4 |
40 | 150/145 | 110 | 18 | 4 | M16 | 85 | 3 | 16 | 64 | 12 | 4 |
50 | 165/160 | 125 | 18 | 4 | M16 | 100 | 3 | 16 | 74 | 12 | 5 |
65 | 185/180 | 145 | 18 | 4 | M16 | 120 | 3 | 18 | 95 | 15 | 5 |
80 | 200/195 | 160 | 18 | 8 | M16 | 135 | 3 | 20 | 110 | 15 | 5 |
100 | 220/215 | 180 | 18 | 8 | M16 | 155 | 3 | 20 | 130 | 15 | 5 |
125 | 250/245 | 210 | 18 | 8 | M16 | 185 | 3 | 22 | 161 | 18 | 6 |
150 | 285/280 | 240 | 23 | 8 | M20 | 210 | 3 | 24 | 186 | 18 | 6 |
(175) | 310 | 270 | 23 | 8 | M20 | 240 | 3 | 26 | 215 | 20 | 6 |
200 | 340/335 | 295 | 23 | 12 | M20 | 265 | 3 | 26 | 240 | 20 | 6 |
(225) | 365 | 325 | 23 | 12 | M20 | 295 | 3 | 26 | 269 | 22 | 6 |
250 | 405 | 355 | 26/25 | 12 | M24/M22 | 320 | 3 | 30 | 298 | 24 | 8 |
300 | 460 | 410 | 26/25 | 12 | M24/M22 | 375 | 4 | 30 | 348 | 24 | 8 |
Table29 PN2.5MPa mm
公称通径 | 连 接 尺 寸 | 密封面尺寸 | 法兰厚度 | 法 兰 颈 | |||||||
法兰外径 | 螺栓孔中心圆直径 | 螺栓孔直径 | 螺栓、螺柱 | d | f | Nmax | Smax | R | |||
数量n | 螺纹Th. | ||||||||||
15 | 95 | 65 | 14 | 4 | M12 | 45 | 2 | 16 | 39 | 12 | 4 |
20 | 105 | 75 | 14 | 4 | M12 | 55 | 2 | 16 | 44 | 12 | 5 |
25 | 115 | 85 | 14 | 4 | M12 | 65 | 2 | 16 | 49 | 12 | 5 |
32 | 140/135 | 100 | 18 | 4 | M16 | 78 | 2 | 18 | 62 | 15 | 5 |
40 | 150/145 | 110 | 18 | 4 | M16 | 85 | 3 | 18 | 70 | 15 | 5 |
50 | 165/160 | 125 | 18 | 4 | M16 | 100 | 3 | 20 | 80 | 15 | 5 |
65 | 185/180 | 145 | 18 | 8 | M16 | 120 | 3 | 22 | 101 | 18 | 6 |
80 | 200/195 | 160 | 18 | 8 | M16 | 135 | 3 | 22 | 116 | 18 | 6 |
100 | 230 | 190 | 23 | 8 | M20 | 160 | 3 | 24 | 136 | 18 | 6 |
125 | 270 | 220 | 26/25 | 8 | M24/M22 | 188 | 3 | 28 | 169 | 22 | 8 |
150 | 300 | 250 | 26/25 | 8 | M24/M22 | 218 | 3 | 30 | 198 | 24 | 8 |
(175) | 330 | 280 | 26/25 | 12 | M24/M22 | 248 | 3 | 32 | 223 | 24 | 8 |
200 | 360 | 310 | 26/25 | 12 | M24/M22 | 278 | 3 | 34 | 252 | 26 | 8 |
(225) | 395 | 340 | 30 | 12 | M27 | 302 | 3 | 36 | 281 | 28 | 8 |
250 | 425 | 370 | 30 | 12 | M27 | 332 | 3 | 36 | 306 | 28 | 10 |
300 | 485 | 430 | 30 | 16 | M27 | 390 | 4 | 40 | 360 | 30 | 10 |
Table30PN4.0MPamm
公称通径 | 连 接 尺 寸 | 密封面尺寸 | 法兰厚度 | 法 兰 颈 | |||||||
法兰外径 | 螺栓孔中心圆直径 | 螺栓孔直径 | 螺栓、螺柱 | d | f | Nmax | Smax | R | |||
数量n | 螺纹Th. | ||||||||||
15 | 95 | 65 | 14 | 4 | M12 | 45 | 2 | 16 | 39 | 12 | 4 |
20 | 105 | 75 | 14 | 4 | M12 | 55 | 2 | 16 | 44 | 12 | 5 |
25 | 115 | 85 | 14 | 4 | M12 | 65 | 2 | 16 | 49 | 12 | 5 |
32 | 140/135 | 100 | 18 | 4 | M16 | 78 | 2 | 18 | 62 | 15 | 5 |
40 | 150/145 | 110 | 18 | 4 | M16 | 85 | 3 | 18 | 70 | 15 | 5 |
50 | 165/160 | 125 | 18 | 4 | M16 | 100 | 3 | 20 | 80 | 15 | 5 |
65 | 185/180 | 145 | 18 | 8 | M16 | 120 | 3 | 22 | 101 | 18 | 6 |
80 | 200/195 | 160 | 18 | 8 | M16 | 135 | 3 | 22 | 116 | 18 | 6 |
100 | 235/230 | 190 | 23 | 8 | M20 | 160 | 3 | 24 | 140 | 20 | 6 |
125 | 270 | 220 | 26/25 | 8 | M24/M22 | 188 | 3 | 28 | 169 | 22 | 8 |
150 | 300 | 250 | 26/25 | 8 | M24/M22 | 218 | 3 | 30 | 198 | 24 | 8 |
(175) | 350 | 295 | 30 | 12 | M27 | 258 | 3 | 34 | 231 | 28 | 10 |
200 | 375 | 320 | 30 | 12 | M27 | 282 | 3 | 38 | 256 | 28 | 10 |
(225) | 415 | 355 | 34 | 12 | M30 | 315 | 3 | 40 | 285 | 30 | 10 |
250 | 450/445 | 385 | 34 | 12 | M30 | 345 | 3 | 42 | 314 | 32 | 10 |
300 | 515/510 | 450 | 34 | 16 | M30 | 308 | 4 | 46 | 368 | 34 | 12 |
注:Table28—Table30中系列1法兰连接尺寸与国标及德国法兰标准尺寸互换;系列2尺寸与原机标法兰尺寸互换;新产品设计应优先采用系列1尺寸。
2、凹凸面整体铸钢管法兰(JB/T79.2-94) PN4.0、PN6.3、PN10、PN16、PN20MPa

Table31 PN4.0MPa mm
公称通径 | 连 接 尺 寸 | 密 封 面 尺 寸 | 法兰厚度 | 法 兰 颈 | ||||||||||
法兰外径 | 螺栓孔中心圆直径 | 螺栓孔直径 | 双头螺柱 | d | X | Y | f | f 1、f 2 | Nmax | Smax | R | |||
数量n | 螺纹Th. | |||||||||||||
15 | 95 | 65 | 14 | 4 | M12 | 45 | 39 | 40 | 2 | 4 | 16 | 39 | 12 | 4 |
20 | 105 | 75 | 14 | 4 | M12 | 55 | 50 | 51 | 2 | 4 | 16 | 44 | 12 | 5 |
25 | 115 | 85 | 14 | 4 | M12 | 65 | 57 | 58 | 2 | 4 | 16 | 49 | 12 | 5 |
32 | 140/135 | 100 | 18 | 4 | M16 | 78 | 65 | 66 | 2 | 4 | 18 | 62 | 15 | 5 |
40 | 150/145 | 110 | 18 | 4 | M16 | 85 | 75 | 76 | 3 | 4 | 18 | 70 | 15 | 5 |
50 | 165/160 | 125 | 18 | 4 | M16 | 100 | 87 | 88 | 3 | 4 | 20 | 80 | 15 | 5 |
65 | 185/180 | 145 | 18 | 8 | M16 | 120 | 109 | 110 | 3 | 4 | 22 | 101 | 18 | 6 |
80 | 200/195 | 160 | 18 | 8 | M16 | 135 | 120 | 121 | 3 | 4 | 22 | 116 | 18 | 6 |
100 | 235/230 | 190 | 23 | 8 | M20 | 160 | 149 | 150 | 3 | 4.5 | 24 | 140 | 20 | 6 |
125 | 270 | 220 | 26/25 | 8 | M24 | 188 | 175 | 176 | 3 | 4.5 | 28 | 169 | 22 | 8 |
150 | 300 | 250 | 26/25 | 8 | M24/M22 | 218 | 203 | 204 | 3 | 4.5 | 30 | 198 | 24 | 8 |
(175) | 350 | 295 | 30 | 12 | M27 | 258 | 233 | 234 | 3 | 4.5 | 34 | 231 | 28 | 10 |
200 | 375 | 320 | 30 | 12 | M27 | 282 | 259 | 260 | 3 | 4.5 | 38 | 256 | 28 | 10 |
(225) | 415 | 355 | 34 | 12 | M30 | 315 | 286 | 287 | 3 | 4.5 | 40 | 285 | 30 | 10 |
250 | 450/445 | 385 | 34 | 12 | M30 | 345 | 312 | 313 | 3 | 4.5 | 42 | 314 | 32 | 10 |
300 | 515/510 | 450 | 34 | 16 | M30 | 408 | 363 | 364 | 4 | 4.5 | 46 | 368 | 34 | 12 |
Table32 PN6.3MPa mm
公称通径 | 连 接 尺 寸 | 密 封 面 尺 寸 | 法兰厚度 | 法 兰 颈 | ||||||||||
法兰外径 | 螺栓孔中心圆直径 | 螺栓孔直径 | 双头螺柱 | d | X | Y | f | f 1、f 2 | Nmax | Smax | R | |||
数量n | 螺纹Th. | |||||||||||||
15 | 105 | 75 | 14 | 4 | M12 | 55 | 39 | 40 | 2 | 4 | 18 | 45 | 15 | 4 |
20 | 130/125 | 90 | 18 | 4 | M16 | 68 | 50 | 51 | 2 | 4 | 20 | 52 | 16 | 5 |
25 | 140/135 | 100 | 18 | 4 | M16 | 78 | 57 | 58 | 2 | 4 | 22 | 61 | 18 | 5 |
32 | 155/150 | 110 | 23 | 4 | M20 | 82 | 65 | 66 | 2 | 4 | 24 | 68 | 18 | 5 |
40 | 170/165 | 125 | 23 | 4 | M20 | 95 | 75 | 76 | 3 | 4 | 24 | 80 | 20 | 5 |
50 | 180/175 | 135 | 23 | 4 | M20 | 105 | 87 | 88 | 3 | 4 | 26 | 90 | 20 | 5 |
65 | 205/200 | 160 | 23 | 8 | M20 | 130 | 109 | 110 | 3 | 4 | 28 | 111 | 23 | 6 |
80 | 215/210 | 170 | 23 | 8 | M20 | 140 | 120 | 121 | 3 | 4 | 30 | 128 | 24 | 6 |
100 | 250 | 200 | 26/25 | 8 | M24/M22 | 168 | 149 | 150 | 3 | 4.5 | 32 | 152 | 26 | 6 |
125 | 295 | 240 | 30 | 8 | M27 | 202 | 175 | 176 | 3 | 4.5 | 36 | 181 | 28 | 8 |
150 | 345/340 | 280 | 34 | 8 | M30 | 240 | 203 | 204 | 3 | 4.5 | 38 | 210 | 30 | 8 |
(175) | 370 | 310 | 34 | 12 | M30 | 270 | 233 | 234 | 3 | 4.5 | 42 | 239 | 32 | 10 |
200 | 405 | 345 | 36/34 | 12 | M33/M30 | 300 | 259 | 260 | 3 | 4.5 | 44 | 268 | 34 | 10 |
(225) | 430 | 370 | 36/34 | 12 | M33/M30 | 325 | 286 | 287 | 3 | 4.5 | 46 | 301 | 38 | 10 |
250 | 470 | 400 | 36/41 | 12 | M33/M36 | 352 | 312 | 313 | 3 | 4.5 | 48 | 326 | 38 | 10 |
300 | 530 | 460 | 36/41 | 16 | M33/M36 | 412 | 363 | 364 | 4 | 4.5 | 54 | 384 | 42 | 12 |
Table33 PN10.0MPamm
公称通径 | 连 接 尺 寸 | 密 封 面 尺 寸 | 法兰厚度 | 法 兰 颈 | ||||||||||
法兰外径 | 螺栓孔中心圆直径 | 螺栓孔直径 | 双头螺柱 | d | X | Y | f | f 1、f 2 | Nmax | Smax | R | |||
数量n | 螺纹Th. | |||||||||||||
15 | 105 | 75 | 14 | 4 | M12 | 55 | 39 | 40 | 2 | 4 | 20 | 45 | 15 | 4 |
20 | 130/125 | 90 | 18 | 4 | M16 | 68 | 50 | 51 | 2 | 4 | 22 | 54 | 17 | 4 |
25 | 140/135 | 100 | 18 | 4 | M16 | 78 | 57 | 58 | 2 | 4 | 24 | 61 | 18 | 4 |
32 | 155/150 | 110 | 23 | 4 | M20 | 82 | 65 | 66 | 2 | 4 | 24 | 68 | 18 | 4 |
40 | 170/165 | 125 | 23 | 4 | M20 | 95 | 75 | 76 | 3 | 4 | 26 | 80 | 20 | 4 |
50 | 195 | 145 | 26/25 | 4 | M24/M22 | 112 | 87 | 88 | 3 | 4 | 28 | 94 | 22 | 4 |
65 | 220 | 170 | 26/25 | 8 | M24/M22 | 138 | 109 | 110 | 3 | 4 | 32 | 115 | 25 | 5 |
80 | 230 | 180 | 26/25 | 8 | M24/M22 | 148 | 120 | 121 | 3 | 4 | 34 | 132 | 26 | 5 |
100 | 265 | 210 | 30 | 8 | M27 | 172 | 149 | 150 | 3 | 4.5 | 38 | 160 | 30 | 5 |
125 | 315/310 | 250 | 34 | 8 | M30 | 210 | 175 | 176 | 3 | 4.5 | 42 | 189 | 32 | 6 |
150 | 355/350 | 290 | 34 | 12 | M30 | 250 | 203 | 204 | 3 | 4.5 | 46 | 222 | 36 | 6 |
(175) | 380 | 320 | 34 | 12 | M30 | 280 | 233 | 234 | 3 | 4.5 | 48 | 251 | 38 | 8 |
200 | 430 | 360 | 36/41 | 12 | M33/M36 | 312 | 259 | 260 | 3 | 4.5 | 54 | 284 | 42 | 8 |
(225) | 470 | 400 | 41 | 12 | M36 | 352 | 286 | 287 | 3 | 4.5 | 56 | 313 | 44 | 8 |
250 | 505/500 | 430 | 41 | 12 | M36 | 382 | 312 | 313 | 3 | 4.5 | 60 | 346 | 48 | 8 |
300 | 585 | 500 | 42/48 | 16 | M39/M42 | 442 | 363 | 364 | 4 | 4.5 | 70 | 408 | 54 | 10 |
Table34 PN16.0MPa mm
公称通径 | 连 接 尺 寸 | 密 封 面 尺 寸 | 法兰厚度 | 法 兰 颈 | ||||||||||
法兰外径 | 螺栓中心圆直径 | 螺栓孔直径 | 双头螺柱 | d | X | Y | f | f 1、f 2 | Nmax | Smax | R | |||
数量n | 螺纹Th. | |||||||||||||
15 | 110 | 75 | 18 | 4 | M16 | 52 | 39 | 40 | 2 | 4 | 24 | 49 | 17 | 4 |
20 | 130 | 90 | 23 | 4 | M20 | 62 | 50 | 51 | 2 | 4 | 26 | 58 | 19 | 4 |
25 | 140 | 100 | 23 | 4 | M20 | 72 | 57 | 58 | 2 | 4 | 28 | 65 | 20 | 4 |
32 | 165 | 115 | 25 | 4 | M22 | 85 | 65 | 66 | 2 | 4 | 30 | 76 | 22 | 5 |
40 | 175 | 125 | 27 | 4 | M24 | 92 | 75 | 76 | 3 | 4 | 32 | 88 | 24 | 5 |
50 | 215 | 165 | 25 | 8 | M22 | 132 | 87 | 88 | 3 | 4 | 36 | 102 | 26 | 5 |
65 | 245 | 190 | 30 | 8 | M27 | 152 | 109 | 110 | 3 | 4 | 44 | 131 | 33 | 8 |
80 | 260 | 205 | 30 | 8 | M27 | 168 | 120 | 121 | 3 | 4 | 46 | 148 | 34 | 8 |
100 | 300 | 240 | 34 | 8 | M30 | 200 | 149 | 150 | 3 | 4.5 | 48 | 172 | 36 | 8 |
125 | 355 | 285 | 41 | 8 | M36 | 238 | 175 | 176 | 3 | 4.5 | 60 | 213 | 44 | 10 |
150 | 390 | 318 | 41 | 12 | M36 | 270 | 203 | 204 | 3 | 4.5 | 66 | 246 | 48 | 10 |
(175) | 460 | 380 | 48 | 12 | M42 | 325 | 233 | 234 | 3 | 4.5 | 74 | 287 | 56 | 10 |
200 | 480 | 400 | 48 | 12 | M42 | 345 | 259 | 260 | 3 | 4.5 | 78 | 316 | 58 | 10 |
(225) | 545 | 450 | 54 | 12 | M48 | 390 | 286 | 287 | 3 | 4.5 | 82 | 345 | 60 | 10 |
250 | 580 | 485 | 54 | 12 | M48 | 425 | 312 | 313 | 3 | 4.5 | 88 | 378 | 64 | 10 |
300 | 605 | 570 | 54 | 16 | M48 | 510 | 363 | 364 | 4 | 4.5 | 100 | 452 | 76 | 10 |
Table35 PN20.0MPa mm
公称通径 | 连 接 尺 寸 | 密 封 面 尺 寸 | 法兰厚度 | 法 兰 颈 | ||||||||||
法兰外径 | 螺栓中心圆直径 | 螺栓孔直径 | 双头螺柱 | d | X | Y | f | f 1、f 2 | Nmax | Smax | R | |||
数量n | 螺纹Th | |||||||||||||
15 | 120 | 82 | 23 | 4 | M20 | 55 | 27 | 28 | 2 | 5 | 26 | 51 | 18 | 5 |
20 | 130 | 90 | 23 | 4 | M20 | 62 | 34 | 35 | 2 | 5 | 28 | 60 | 20 | 5 |
25 | 150 | 102 | 25 | 4 | M22 | 72 | 41 | 42 | 2 | 5 | 30 | 67 | 21 | 5 |
32 | 160 | 115 | 25 | 4 | M22 | 85 | 49 | 50 | 2 | 5 | 32 | 78 | 23 | 5 |
40 | 170 | 124 | 27 | 4 | M24 | 90 | 55 | 56 | 3 | 5 | 34 | 90 | 25 | 5 |
50 | 210 | 160 | 25 | 8 | M22 | 128 | 69 | 70 | 3 | 5 | 40 | 108 | 29 | 5 |
65 | 260 | 203 | 30 | 8 | M27 | 165 | 96 | 97 | 3 | 5 | 48 | 137 | 36 | 8 |
80 | 290 | 230 | 34 | 8 | M30 | 190 | 115 | 116 | 3 | 5 | 54 | 160 | 40 | 8 |
100 | 360 | 292 | 41 | 8 | M36 | 245 | 137 | 138 | 3 | 6 | 66 | 204 | 52 | 8 |
125 | 385 | 318 | 41 | 12 | M36 | 270 | 169 | 170 | 3 | 6 | 76 | 237 | 56 | 10 |
150 | 440 | 360 | 48 | 12 | M42 | 305 | 189 | 190 | 3 | 6 | 82 | 270 | 60 | 10 |
(175) | 475 | 394 | 48 | 12 | M42 | 340 | 213 | 214 | 3 | 6 | 84 | 301 | 63 | 10 |
200 | 535 | 440 | 54 | 12 | M48 | 380 | 244 | 245 | 3 | 6 | 92 | 340 | 70 | 10 |
(225) | 580 | 483 | 58 | 12 | M52 | 418 | 267 | 268 | 3 | 6 | 100 | 377 | 76 | 10 |
250 | 670 | 572 | 58 | 16 | M52 | 508 | 318 | 319 | 3 | 6 | 110 | 448 | 94 | 10 |
注:Table31~Table35中系列1法兰连接尺寸与国标及德国法兰标准尺寸互换;系列2尺寸与原机标法兰尺寸互换;新产品应优先采用系列1尺寸。
3、榫槽面整体铸钢管法兰(JB/T79.3-94) PN4.0、PN6.3、PN10MPa

Table36 PN4.0MPa mm
公称通径 DN | 连 接 尺 寸 | 密 封 面 尺 寸 | 法兰厚度 | 法 兰 颈 | ||||||||||||
法兰外径 | 螺栓孔中心圆直径 | 螺栓孔直径 | 双头螺栓 | d | W | X | Y | Z | f | f 1、f 2 | Nmax | Smax | R | |||
数量n | 螺纹Th. | |||||||||||||||
15 | 95 | 65 | 14 | 4 | M12 | 45 | 29 | 39 | 40 | 28 | 2 | 4 | 16 | 39 | 12 | 4 |
20 | 105 | 75 | 14 | 4 | M12 | 55 | 36 | 50 | 51 | 35 | 2 | 4 | 16 | 44 | 12 | 5 |
25 | 115 | 85 | 14 | 4 | M12 | 65 | 43 | 57 | 58 | 42 | 2 | 4 | 16 | 49 | 12 | 5 |
32 | 140/135 | 100 | 18 | 4 | M16 | 78 | 51 | 65 | 66 | 50 | 2 | 4 | 18 | 62 | 15 | 5 |
40 | 150/145 | 110 | 18 | 4 | M16 | 85 | 61 | 75 | 76 | 60 | 3 | 4 | 18 | 70 | 15 | 5 |
50 | 165/160 | 125 | 18 | 4 | M16 | 100 | 73 | 87 | 88 | 72 | 3 | 4 | 20 | 80 | 15 | 5 |
65 | 185/180 | 145 | 18 | 8 | M16 | 120 | 95 | 109 | 110 | 94 | 3 | 4 | 22 | 101 | 18 | 6 |
80 | 200/195 | 160 | 18 | 8 | M16 | 135 | 106 | 120 | 121 | 105 | 3 | 4 | 22 | 116 | 18 | 6 |
100 | 235/230 | 190 | 23 | 8 | M20 | 160 | 129 | 149 | 150 | 128 | 3 | 4.5 | 24 | 140 | 20 | 6 |
125 | 270 | 220 | 26/25 | 8 | M24/M22 | 188 | 155 | 175 | 176 | 154 | 3 | 4.5 | 28 | 169 | 22 | 8 |
150 | 300 | 250 | 26/25 | 8 | M24/M22 | 218 | 183 | 203 | 204 | 182 | 3 | 4.5 | 30 | 198 | 24 | 8 |
(175) | 350 | 295 | 30 | 12 | M27 | 258 | 213 | 233 | 234 | 212 | 3 | 4.5 | 34 | 231 | 28 | 10 |
200 | 375 | 320 | 30 | 12 | M27 | 282 | 239 | 259 | 260 | 238 | 3 | 4.5 | 38 | 256 | 28 | 10 |
(225) | 415 | 355 | 34 | 12 | M30 | 315 | 266 | 286 | 287 | 265 | 3 | 4.5 | 40 | 285 | 30 | 10 |
250 | 450/445 | 385 | 34 | 12 | M30 | 345 | 292 | 312 | 313 | 291 | 3 | 4.5 | 42 | 314 | 32 | 10 |
300 | 515/510 | 450 | 34 | 16 | M30 | 408 | 343 | 363 | 364 | 342 | 4 | 4.5 | 46 | 368 | 34 | 12 |
Table37 PN6.3/MPa mm
公称通径 | 连 接 尺 寸 | 密 封 面 尺 寸 | 法兰厚度 | 法 兰 颈 | ||||||||||||
法兰外径 | 螺栓孔中心圆直径 | 螺栓孔直径 | 双头螺栓 | d | W | X | Y | Z | f | f 1、f 2 | Nmax | Smax | R | |||
数量 | 螺纹Th. | |||||||||||||||
15 | 105 | 75 | 14 | 4 | M12 | 55 | 29 | 39 | 40 | 28 | 2 | 4 | 18 | 45 | 15 | 4 |
20 | 130/125 | 90 | 18 | 4 | M16 | 68 | 36 | 50 | 51 | 35 | 2 | 4 | 20 | 52 | 16 | 5 |
25 | 140/135 | 100 | 18 | 4 | M16 | 78 | 43 | 57 | 58 | 42 | 2 | 4 | 22 | 61 | 18 | 5 |
32 | 155/150 | 110 | 23 | 4 | M20 | 82 | 51 | 65 | 66 | 50 | 2 | 4 | 24 | 68 | 18 | 5 |
40 | 170/165 | 125 | 23 | 4 | M20 | 95 | 61 | 75 | 76 | 60 | 3 | 4 | 24 | 80 | 20 | 5 |
50 | 180/175 | 135 | 23 | 4 | M20 | 105 | 73 | 87 | 88 | 72 | 3 | 4 | 26 | 90 | 20 | 5 |
65 | 205/200 | 160 | 23 | 8 | M20 | 130 | 95 | 109 | 110 | 94 | 3 | 4 | 28 | 111 | 23 | 6 |
80 | 215/210 | 170 | 23 | 8 | M20 | 140 | 106 | 120 | 121 | 105 | 3 | 4 | 30 | 128 | 24 | 6 |
100 | 250 | 200 | 26/25 | 8 | M24/M22 | 168 | 129 | 149 | 150 | 128 | 3 | 4.5 | 32 | 152 | 26 | 6 |
125 | 295 | 240 | 30 | 8 | M27 | 202 | 155 | 175 | 176 | 154 | 3 | 4.5 | 36 | 181 | 28 | 8 |
150 | 345/340 | 280 | 34 | 8 | M30 | 240 | 183 | 203 | 204 | 182 | 3 | 4.5 | 38 | 210 | 30 | 8 |
(175) | 370 | 310 | 34 | 12 | M30 | 270 | 213 | 233 | 234 | 212 | 3 | 4.5 | 42 | 239 | 32 | 10 |
200 | 405 | 345 | 36/34 | 12 | M33/M30 | 300 | 239 | 259 | 260 | 238 | 3 | 4.5 | 44 | 268 | 34 | 10 |
(225) | 430 | 370 | 36/34 | 12 | M33/M30 | 325 | 266 | 286 | 287 | 265 | 3 | 4.5 | 46 | 301 | 38 | 10 |
250 | 470 | 400 | 36/41 | 12 | M33/M36 | 352 | 292 | 312 | 313 | 291 | 3 | 4.5 | 48 | 326 | 38 | 10 |
300 | 530 | 460 | 36/41 | 16 | M33/M36 | 412 | 343 | 363 | 364 | 342 | 4 | 4.5 | 54 | 384 | 42 | 12 |
Table38 PN10.0MPa mm
公称通径 | 连 接 尺 寸 | 密 封 面 尺 寸 | 法兰厚度C | 法 兰 颈 | ||||||||||||
法兰外径 | 螺栓孔中心圆直径 | 螺栓孔直径 | 双头螺栓 | d | W | X | Y | Z | f | f 1、f 2 | Nmax | Smax | R | |||
数量 | 螺纹Th. | |||||||||||||||
15 | 105 | 75 | 14 | 4 | M12 | 55 | 29 | 39 | 40 | 28 | 2 | 4 | 20 | 45 | 15 | 4 |
20 | 130/125 | 90 | 18 | 4 | M16 | 68 | 36 | 50 | 51 | 35 | 2 | 4 | 22 | 54 | 17 | 4 |
25 | 140/135 | 100 | 18 | 4 | M16 | 78 | 43 | 57 | 58 | 42 | 2 | 4 | 24 | 61 | 18 | 4 |
32 | 155/150 | 110 | 23 | 4 | M20 | 82 | 51 | 65 | 66 | 50 | 2 | 4 | 24 | 68 | 18 | 4 |
40 | 170/165 | 125 | 23 | 4 | M20 | 95 | 61 | 75 | 76 | 60 | 3 | 4 | 26 | 80 | 20 | 4 |
50 | 195 | 145 | 26/25 | 4 | M24/M22 | 112 | 73 | 87 | 88 | 72 | 3 | 4 | 28 | 94 | 22 | 4 |
65 | 220 | 170 | 26/25 | 8 | M24/M22 | 138 | 95 | 109 | 110 | 94 | 3 | 4 | 32 | 115 | 25 | 5 |
80 | 230 | 180 | 26/25 | 8 | M24/M22 | 148 | 106 | 120 | 121 | 105 | 3 | 4 | 34 | 132 | 26 | 5 |
100 | 265 | 210 | 30 | 8 | M27 | 172 | 129 | 149 | 150 | 128 | 3 | 4.5 | 38 | 160 | 30 | 5 |
125 | 315/310 | 250 | 34 | 8 | M30 | 210 | 155 | 175 | 176 | 154 | 3 | 4.5 | 42 | 189 | 32 | 6 |
150 | 355/350 | 290 | 34 | 12 | M30 | 250 | 183 | 203 | 204 | 182 | 3 | 4.5 | 46 | 222 | 36 | 6 |
(175) | 380 | 320 | 34 | 12 | M30 | 280 | 213 | 233 | 234 | 212 | 3 | 4.5 | 48 | 251 | 38 | 8 |
200 | 430 | 360 | 36/41 | 12 | M33/M36 | 312 | 239 | 259 | 260 | 238 | 3 | 4.5 | 54 | 284 | 42 | 8 |
(225) | 470 | 400 | 41 | 12 | M36 | 352 | 266 | 286 | 287 | 265 | 3 | 4.5 | 56 | 313 | 44 | 8 |
250 | 505/500 | 430 | 41 | 12 | M36 | 382 | 292 | 312 | 313 | 2914 | 3 | 4.5 | 60 | 346 | 48 | 8 |
300 | 585 | 500 | 42/48 | 16 | M39/M42 | 442 | 343 | 363 | 364 | 342 | 4 | 4.5 | 70 | 408 | 54 | 10 |
350 | 655 | 560 | 48/54 | 16 | M45/M48 | 498 | 395 | 421 | 422 | 394 | 4 | 5 | 76 | 466 | 58 | 12 |
400 | 715 | 620 | 48/54 | 16 | M45/M48 | 558 | 447 | 473 | 474 | 446 | 4 | 5 | 80 | 520 | 60 | 12 |
注:Table36~Table38中系列1法兰连接尺寸与国标及德国法兰标准尺寸互换;系列2尺寸与原机标法兰尺寸互换;新产品设计应先采用系列1尺寸。
更多法兰标准就上锻件网www.webbiamo.com






