请登录
免费注册
供应
采购
厂家
展会
资讯
百科
首页
钢材商城
锻件供应
锻件采购
锻造厂家
锻造圈
锻件展会
锻件资讯
法兰锻件
当前位置:
首页
»
锻件资讯
»
技术技巧
»
技术技巧
» 正文
锻件使用中的钢锭结构介绍
发布日期:2018-06-15 来源:锻件网 浏览次数:
325
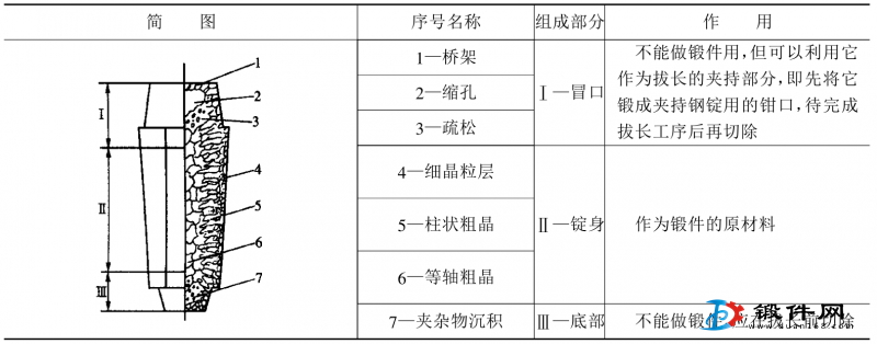
核心提示:钢锭常常作为大、中型自由锻件的原材料。钢锭根据其截面形状可分为圆钢锭、方钢锭、八角钢锭等品种;根据钢锭的总质量(单位:吨
钢锭常常作为大、中型自由
锻件
的原材料。
钢锭根据其截面形状可分为圆钢锭、方钢锭、八角钢锭等品种;根据钢锭的总质量(单位:吨)的不同区分为不同规格的钢锭。至于钢锭的品种和规格,由各生产厂自行定制。
更多锻件资讯请关注 锻件网
www.webbiamo.com
关键词:
锻件,钢锭
下一篇:
平焊法兰尺寸表
上一篇:
锻件在锻造生产前的准备工作
[
锻件资讯搜索
] [
打印本文
]
同类锻件资讯
推荐图文
推荐锻件资讯
点击排行
关闭
帮助中心
咨询QQ
微信关注
扫一扫
关注锻件网
TOP
展开