您正在查看: 首页 » 锻件采购 » 法兰锻件 »
联系人 企业信息

登录后才能查看

5 (70评价)
  • 公司采购
  • 联系人公司采购     未注册
  • 地区全国
  • 地址全国

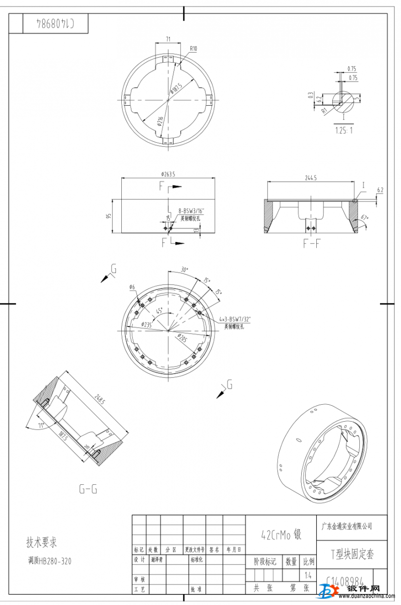
求购T型块固定套

单价 面议

更新时间:2017-09-08 09:24

383 人已报价

  • 商品详情
  • 单位名称: 公司采购
  • 手机号码: 149568*****com注册或登录可查看
  • 产品名称: 求购T型块固定套
  • 材质型号: 42CrMo
  • 收货地址: 全国

能加工的请联系我

联系我时,请说是在锻件网看到的,谢谢!

找锻件-买法兰-就上中国锻件网



关闭

微信关注

扫一扫

关注锻件网

微信二维码

TOP