您正在查看: 首页 » 锻件采购 » 法兰锻件 » 锻件 » 精密锻件 »
联系人 企业信息

登录后才能查看

5 (70评价)

求购锻造齿轮类产品

单价 面议

更新时间:2018-07-17 09:18

968 人已报价

  • 商品详情
  • 单位名称:
  • 手机号码: 186602*****注册或登录可查看
  • 产品名称: 求购锻造齿轮类产品
  • 材质型号:
  • 收货地址: 青岛市

出口俄国,次数量不多,几百个左右,常年需要,请报含税运到附近港口的价格。


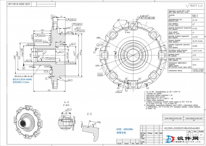
产品尺寸是外径185mm左右。


由于是PDF文档,没法上传,请联系我要图纸。


18660283519


联系我时,请说是在锻件网看到的,谢谢!

找锻件-买法兰-就上中国锻件网



关闭

微信关注

扫一扫

关注锻件网

微信二维码

TOP