您正在查看: 首页 » 锻件采购 » 法兰锻件 »
联系人 企业信息

登录后才能查看

5 (70评价)
  • 郭先生
  • 联系人郭先生     未注册
  • 地区全国
  • 地址全国

求购一批45#冷锻件

单价 面议

更新时间:2018-07-27 10:32

491 人已报价

  • 商品详情
  • 单位名称: 郭先生
  • 手机号码: 137168*****注册或登录可查看
  • 产品名称: 求购一批45#冷锻件
  • 材质型号: 45#
  • 收货地址: 全国

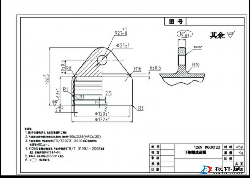
这是两种规格的上下钢帽,开模具直接锻出来 冷锻,这个是图纸和实物,一次订货都在几万个。报个价格和周期。13716809011郭


联系我时,请说是在锻件网看到的,谢谢!

找锻件-买法兰-就上中国锻件网



关闭

微信关注

扫一扫

关注锻件网

微信二维码

TOP