您正在查看: 首页 » 锻件采购 » 法兰锻件 » 锻件 » 轴类锻件 »
联系人 企业信息

登录后才能查看

5 (70评价)
  • 联系人    未注册
  • 地区全国

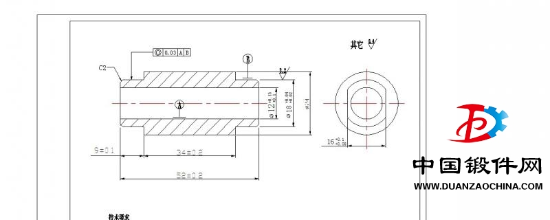
求购不锈钢管轴

单价 面议

更新时间:2016-09-14 09:25

468 人已报价

  • 商品详情
  • 单位名称:
  • 手机号码: *****注册或登录可查看
  • 产品名称: 求购不锈钢管轴
  • 材质型号:
  • 收货地址:

期望价格仅供参考!

能生产的厂家请及时联系我。

移动电话: 13967867532

联系我时,请说是在中国锻件网看到的,谢谢!


联系我时,请说是在锻件网看到的,谢谢!

找锻件-买法兰-就上中国锻件网



关闭

微信关注

扫一扫

关注锻件网

微信二维码

TOP