您正在查看: 首页 » 锻件采购 » 法兰锻件 » 锻件 » 轴类锻件 »
联系人 企业信息

登录后才能查看

5 (70评价)
  • 联系人    未注册
  • 地区全国

求购

单价 面议

更新时间:2017-05-22 18:14

607 人已报价

  • 商品详情

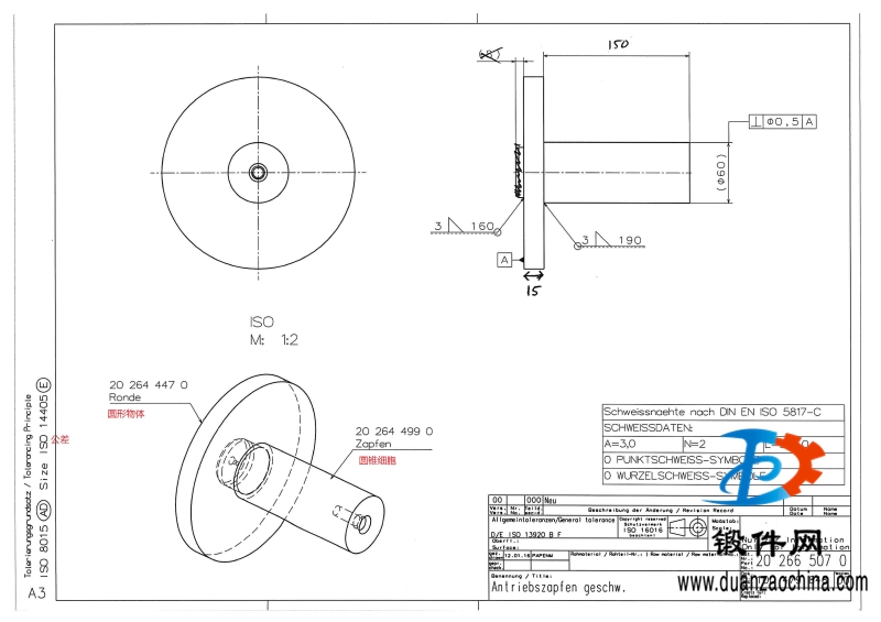
求购花键轴锻件


材料:27MnCrB5-2

数量:10件

重量:81kg

备注:?190将被焊接在一个钢管上


现在2个产品要焊接在一起,变成一个加工的花键轴,

你们能把这个设计做成一个完整的锻件,然后加工到最终图纸

20 266 524 0 (注意花键部分是一个特殊的加工工作)


联系:2180000@qq.com


花键轴锻件.pdf


询价单.xls









联系我时,请说是在锻件网看到的,谢谢!

找锻件-买法兰-就上中国锻件网



关闭

微信关注

扫一扫

关注锻件网

微信二维码

TOP