您正在查看: 首页 » 锻件采购 » 法兰锻件 » 锻件 » 精密锻件 »
联系人 企业信息

登录后才能查看

5 (70评价)

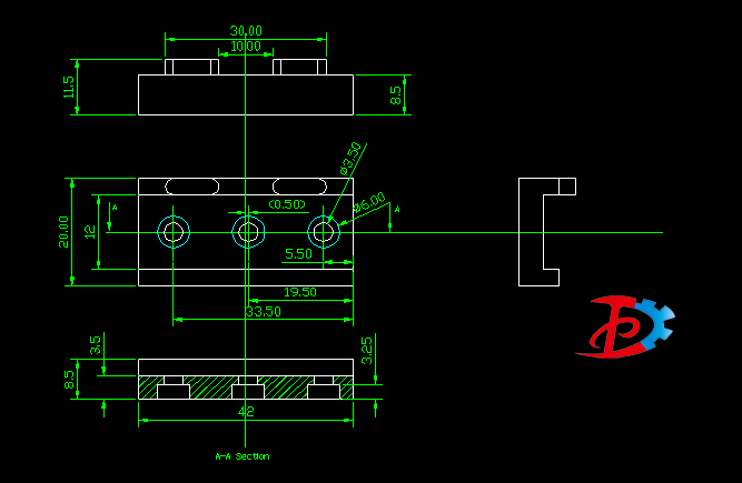
求购小零件锻造

单价 面议

更新时间:2016-09-26 13:24

677 人已报价

  • 商品详情
  • 单位名称: 东莞市奥驰精密五金有限公司
  • 手机号码: 133026*****注册或登录可查看
  • 产品名称: 求购小零件锻造
  • 材质型号:
  • 收货地址: 中国 广东 东莞市东城区上桥工业区松浪街一号

数量:1230件

材质:60号钢    


联系我时,请说是在锻件网看到的,谢谢!

找锻件-买法兰-就上中国锻件网



关闭

微信关注

扫一扫

关注锻件网

微信二维码

TOP