您正在查看: 首页 » 锻件采购 » 法兰锻件 » 锻件 » 饼类锻件 »
联系人 企业信息

登录后才能查看

5 (70评价)
  • 联系人    未注册
  • 地区全国

锻件求购

单价 面议

更新时间:2016-05-31 14:55

594 人已报价

  • 商品详情
  • 单位名称:
  • 手机号码: *****注册或登录可查看
  • 产品名称: 锻件求购
  • 材质型号:
  • 收货地址:

锻件求购


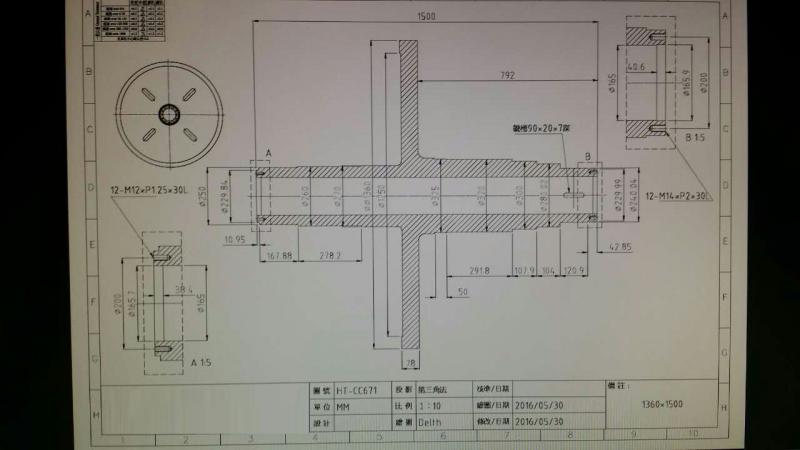
要求:按图纸加工


联系人:13561284444


联系我时,请说是在中国锻件网看到的,谢谢!





联系我时,请说是在锻件网看到的,谢谢!

找锻件-买法兰-就上中国锻件网



关闭

微信关注

扫一扫

关注锻件网

微信二维码

TOP