您正在查看: 首页 » 锻件采购 » 法兰锻件 » 锻件 » 环形锻件 »
联系人 企业信息

登录后才能查看

5 (70评价)
  • 联系人    未注册
  • 地区全国

求购大型环件

单价 面议

更新时间:2017-05-11 09:55

697 人已报价

  • 商品详情
  • 单位名称:
  • 手机号码: *****注册或登录可查看
  • 产品名称: 求购大型环件
  • 材质型号:
  • 收货地址:

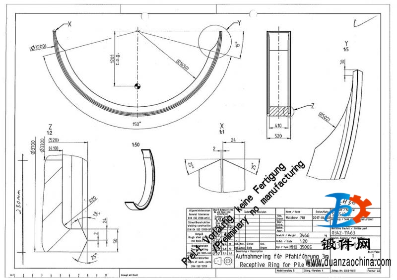
求购 大型环件


要求:按图纸加工(详情见附件)


外协环件.pdf


询价5.11-3.doc



联系:13593500000@qq.com


1.数量:共3件   每种1件

2.工作范围:锻造环及机加工(发货).

3.材料为与EH36对应的锻件材料   可以用Q345E代替,请注明。





联系我时,请说是在锻件网看到的,谢谢!

找锻件-买法兰-就上中国锻件网



关闭

微信关注

扫一扫

关注锻件网

微信二维码

TOP