法兰选用
当法兰和垫片、蜾栓共同组成一个密封接头体时,才能实现承压密封的作用。因此,选用法兰时,要考虑到法兰用垫片的选择、法兰用螺柱的选择以及法兰、垫片、螺柱、螺母材料匹配等因素。
选用原则与法兰类型适应的腐蚀裕量;法兰用垫片选择;法兰用锞柱选择;法兰、垫片、螺柱、螺母材料匹配;轧制法兰断面铟式及选用等内容。
1、选用原则与法兰类型适应的腐蚀裕量
①选用原则
凡是压力容器法兰宜优先采用JB/T 4700?4707—2000规定的标准法兰(含垫片), 按标准法兰选用的压力容器法兰可免除GB150《钢制压力容器》的有关计算。
②腐蚀裕量
乙型平焊法兰适用的腐蚀裕量为不大于2mm,当腐蚀裕量超过2mm但不大于3mm时,应加厚短节厚度2mm。长颈对焊法兰的适用腐蚀裕量不大于3mm。
2、法兰用垫片的选择
压力容器法兰用垫片为非金属软垫片、缠绕垫片及金属包覆垫片3种,具体按JB/T 4704—2000《非金属软垫片》、JB/T 4705—2000《缠绕垫片》和JB/T 4706—2000《金属包垫片》的规定。
3、法兰用螺柱的选择
①螺柱材料的选用
压力容器法兰用螺柱材料选用表中要求。
②螺柱的型式与尺寸
法兰用等长双头螺柱的型式与尺寸应符合JB/T 4707—2000《等长双头螺柱》的规定。
4、法兰、垫片、螺柱、螺母材料匹配
甲型平焊法兰、乙型平焊法兰和长颈对焊法兰(以下简称甲型、乙型、长颈法兰)、垫片、螺柱、螺母材料的匹配(含适用温度范围)见表中。
螺柱的硬度(布氏硬度,HB)应比螺母硬度高20?30,相同强度级别的材料可以通过不同的热处理状态实现。


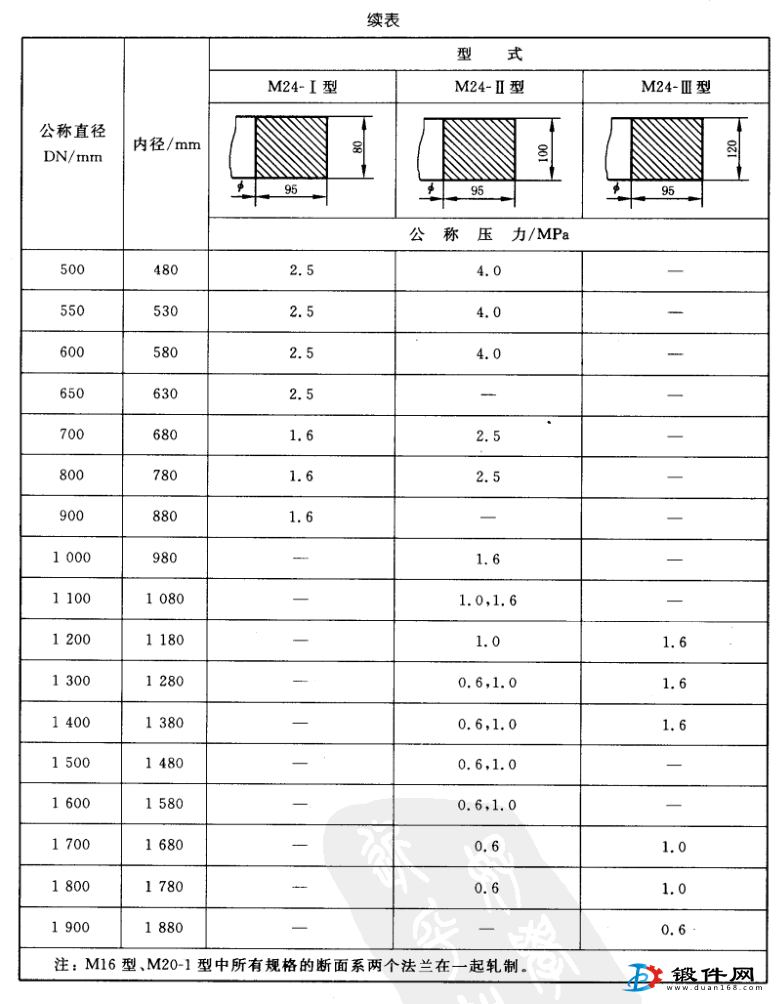
5、轧制法兰断面型式及选用
①断面型式
轧制平焊(甲型、乙型〉法兰断面型式见表中;轧制长颈对焊法兰断面型式见表中。
②选用
已知标准法兰尺寸后,根据公称压力、公称直径和螺柱规格按表中可选出轧制法兰的断面型式。
例:已知长颈对焊法兰,公称压力1.60MPa、公称直径1000mm、螺柱规格从M24,首先由M24在表中查出轧制法兰的断面,再由1.6MPa、1000mm选出从M24-I型乳制
法兰毛坯。





